I²C/SPI 示波器软件

触发和解码

I²C/SPI 示波器软件
显示更多详细信息
I²C/SPI 示波器软件
显示更多详细信息
I²C/SPI 示波器软件
显示更多详细信息
I²C/SPI 示波器软件
显示更多详细信息
I²C/SPI 示波器软件
显示更多详细信息
I²C/SPI 示波器软件
显示更多详细信息
I²C/SPI 示波器软件
显示更多详细信息
I²C/SPI 示波器软件
显示更多详细信息
I²C/SPI 示波器软件
显示更多详细信息
I²C/SPI 示波器软件
显示更多详细信息
I²C/SPI 示波器软件
显示更多详细信息

主要特点

  • 针对 I²C 地址和数据的符号解码
  • 报文以颜色编码的总线信号显示,或者在解码表中显示
  • 支持起始、结束、地址、数据以及各种错误条件触发
  • 支持在模拟和数字通道上对最多 4 个串行总线信号进行解码
  • 使用标配模板测试功能,可快速进行 I²C 和 SPI 眼图模板测试
  • 多域图标

示波器软件

罗德与施瓦茨示波器均支持对 I2C 以及 2 线、3 线和 4 线 SPI 总线的触发和解码。解码设置仅需数秒。用户能够以颜色编码的报文形式和/或在解码表中查看结果,并作详细分析。使用硬件加速触发,用户能够有效且可靠地查找错误。支持起始、结束、地址、数据以及各种错误条件触发。

特性和优点

快速总线设置

通过应用面板在数秒内完成总线设置

通过应用面板,只需几个步骤即可配置任意特定协议。选择需要解码的总线和连接的通道,并设置正确的电平之后,就会自动开始解码。

显示更多详细信息

使用应用面板选择总线解码。

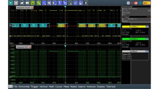
使用颜色编码的报文显示

报文以颜色编码的总线信号显示,或者在解码表中显示

用户可以将信号与颜色编码数据叠加,以便分析解码总线帧。地址和数据内容可以十六进制、二进制或 ASCII 格式显示。用户始终可以通过灵活的屏幕设置获得理想的浏览效果。报文也可以显示在简明表格中。

显示更多详细信息

解码帧采用颜色编码。

强大的触发功能

针对起始、结束、地址、数据以及各种错误条件执行强大的触发功能

借助特定于协议的触发,用户能够可靠地隔离协议事件和错误。罗德与施瓦茨示波器具有高捕获率,非常适合快速查找错误,以便针对特定于协议的触发结果进行解码。

显示更多详细信息

协议触发设置对话框。

在采集记录中搜索和导航

强大的搜索和导航功能

全面的搜索功能让长信号序列的分析更加简单。用户可以根据不同的标准搜索波形,例如信号故障或协议内容。所有检测到的事件均显示在表格中,并带有时间戳。用户可以在缩放窗口中查看单个事件,并轻松浏览不同事件。

显示更多详细信息

强大的搜索功能,支持长记录。

可用型号

请求信息

Do you have questions or need additional information? Simply fill out this form and we will get right back to you.
For service/support requests, please go here to log in or register.

推广许可

你的申请已提交,我们稍后会联系您。
An error is occurred, please try it again later.
大体信息,法律信息

Manufacturer's recommended retail price (MSRP). The price shown does not include VAT. Prices and offers are only intended for entrepreneurs and not for private end consumers.

You may use the electronic signature via DocuSign to submit your information to enroll with the Rohde & Schwarz Customer Delegated Administration program. DocuSign processes the information provided according to their . The minimum system requirements for using the DocuSign system may change over time. The current system requirements are found

Terms & Conditions of the Prize Draw 10 years Rohde & Schwarz oscilloscopes

1. The prize draw “10 years Rohde & Schwarz oscilloscopes” (herein referred to as “Draw”) is organized by Rohde & Schwarz GmbH & Co. KG, Mühldorfstraße 15, 81671 Munich, Germany, Tel. +49 89 41 29 0 (herein referred to as “R&S).

2. All participators can register to the draw during January 01, 2020 to December 31, 2020 with their name, company name and business e-mail.

3. Participation is free of charge and not dependent on the purchase of goods or services.

4. The draw is only open to legal entities and only the legal entities are able to win the prizes. An individual person is not allowed to participate on its own name and its own account but as a representative of a legal entity filing the participation form in the name of and on behalf of the legal entity.

5. The prizes to win are 1 of 10 R&S®RTB2000 within the time frame January 1, 2020 to December 31, 2020:

Prize: 1x R&S®RTB2000 Digital Oscilloscope

6. The draw takes place at Rohde & Schwarz headquarters, Muehldorstrasse 15, 81671 Munich. The winner of the prizes will be informed by e-mail within 5 (5) working days.

7. The authorized representative of the legal entity shall inform Rohde & Schwarz about the acceptance of the price. In case of the denial of the acceptance, or no answer within two (2) weeks, a new winner will be drawn. If no winner can be determined within four (4) weeks, the draw ends and the prize forfeit.

8. R&S’ employees and members of their families and also person being familiar with the process of the draw and members of their families are excluded from filling the participation form.

9. No cash equivalent or exchange of prizes is allowed. Prizes are non-transferable. All taxes, levies, duties, fees and other charges levied in the participant´s country shall be borne by the participant.

10. Personal data will be processed only for the purpose of this prize draw and deleted four (4) weeks after the draw, if not agreed otherwise.

11. Any Participant who does not comply with these Terms & Conditions may be disqualified by R&S from this Competition. In such cases, prizes can also be withdrawn retrospectively. In case a prize is withdrawn retrospectively due to the non-compliance with these Terms & Conditions, it shall be returned by the respective participant at his cost to R&S’ address mentioned under Nr.1 and a new winner will be drawn.

12. The participants cannot claim the prizes of this draw and no legal recourse is permitted in this respect.

13. The draw and any contractual relationship arising therefrom between R&S and the respective participant shall be governed by and construed in accordance with the laws of Germany, without any recourse to the conflict of laws. The courts of Munich, Germany, shall have exclusive jurisdiction in case of any disputes arising directly or indirectly from the participation in this Competition.

* “fast delivery” inside 7 working days applies to the Rohde & Schwarz in-house procedures from order processing through to available ex-factory to ship.