R&S®ZNA-K1 频谱分析选件

R&S®ZNA-K1 频谱分析选件
显示更多详细信息

主要特点

  • 快速杂散搜索
  • 多通道视图
  • 频谱标记功能
  • 所有端口均提供
  • 基于软件
  • 75 年 VNA 精研之路

频谱分析和多通道视图

更加深入地分析设备操作

R&S®ZNA-K1 频谱分析功能可以与频率和功率 S 参数测量相结合,更加深入地分析被测设备操作。基于软件的频谱分析功能可用于测量被测设备的杂散和谐波,快速完成扫频,并提供宽动态范围和出色的频率分辨率。它可迅速检测变频器和收发模块中的无用信号分量(杂散)。

特性和优点

快速杂散搜索

更快上市

R&S®ZNA 频谱分析选件结合快速扫频、宽动态范围和出色的频率分辨率,能够检测被测设备的所有杂散或无用信号。

显示更多详细信息

R&S®ZNA-K1 频谱分析仪选件:放大器增益和压缩测量,以及相应的 5 GHz 基础谐波含量。

多通道视图

更加深入地分析组件操作

在多通道视图中,可以同时显示多个结果。例如,可以同时显示 S 参数测量和谐波频谱,或同时显示混频器的变频损耗和杂散信号。

显示更多详细信息

R&S®ZNA-K1 频谱分析仪选件:放大器幅度和相位压缩测量,以及相应的谐波和杂散频谱。

频谱标记

便捷、易用

组合 S 参数和频谱分析。在 S 参数测量期间检测到不良影响时,可以一键启动频谱分析以确定根本原因。在所需频率上放置标记,针对该频率的频谱分析将提供有关不良影响的确切信息。噪声标记可用于以 dBm (1 Hz) 为单位显示归一化噪声功率。

显示更多详细信息

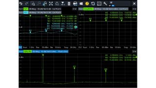
R&S®ZNA-K1 频谱分析仪选件:混频器输出频谱。

所有端口均提供

快速、精确

R&S®ZNA 所有端口均提供频谱分析功能。标量系统误差校正能够提高精度,并消除测试装置的影响。选件不受被测设备配置的影响,为用户提供灵活性以专注于测量精度,消除因麻烦的电缆弯曲问题而产生的误差。

显示更多详细信息

基于软件

重要的灵活性

R&S®ZNA-K1 选件可在罗德与施瓦茨维修中心轻松安装或升级。

可用型号

请求信息

Do you have questions or need additional information? Simply fill out this form and we will get right back to you.
For service/support requests, please go here to log in or register.

推广许可

你的申请已提交,我们稍后会联系您。
An error is occurred, please try it again later.
大体信息,法律信息

Manufacturer's recommended retail price (MSRP). The price shown does not include VAT. Prices and offers are only intended for entrepreneurs and not for private end consumers.

You may use the electronic signature via DocuSign to submit your information to enroll with the Rohde & Schwarz Customer Delegated Administration program. DocuSign processes the information provided according to their . The minimum system requirements for using the DocuSign system may change over time. The current system requirements are found

Terms & Conditions of the Prize Draw 10 years Rohde & Schwarz oscilloscopes

1. The prize draw “10 years Rohde & Schwarz oscilloscopes” (herein referred to as “Draw”) is organized by Rohde & Schwarz GmbH & Co. KG, Mühldorfstraße 15, 81671 Munich, Germany, Tel. +49 89 41 29 0 (herein referred to as “R&S).

2. All participators can register to the draw during January 01, 2020 to December 31, 2020 with their name, company name and business e-mail.

3. Participation is free of charge and not dependent on the purchase of goods or services.

4. The draw is only open to legal entities and only the legal entities are able to win the prizes. An individual person is not allowed to participate on its own name and its own account but as a representative of a legal entity filing the participation form in the name of and on behalf of the legal entity.

5. The prizes to win are 1 of 10 R&S®RTB2000 within the time frame January 1, 2020 to December 31, 2020:

Prize: 1x R&S®RTB2000 Digital Oscilloscope

6. The draw takes place at Rohde & Schwarz headquarters, Muehldorstrasse 15, 81671 Munich. The winner of the prizes will be informed by e-mail within 5 (5) working days.

7. The authorized representative of the legal entity shall inform Rohde & Schwarz about the acceptance of the price. In case of the denial of the acceptance, or no answer within two (2) weeks, a new winner will be drawn. If no winner can be determined within four (4) weeks, the draw ends and the prize forfeit.

8. R&S’ employees and members of their families and also person being familiar with the process of the draw and members of their families are excluded from filling the participation form.

9. No cash equivalent or exchange of prizes is allowed. Prizes are non-transferable. All taxes, levies, duties, fees and other charges levied in the participant´s country shall be borne by the participant.

10. Personal data will be processed only for the purpose of this prize draw and deleted four (4) weeks after the draw, if not agreed otherwise.

11. Any Participant who does not comply with these Terms & Conditions may be disqualified by R&S from this Competition. In such cases, prizes can also be withdrawn retrospectively. In case a prize is withdrawn retrospectively due to the non-compliance with these Terms & Conditions, it shall be returned by the respective participant at his cost to R&S’ address mentioned under Nr.1 and a new winner will be drawn.

12. The participants cannot claim the prizes of this draw and no legal recourse is permitted in this respect.

13. The draw and any contractual relationship arising therefrom between R&S and the respective participant shall be governed by and construed in accordance with the laws of Germany, without any recourse to the conflict of laws. The courts of Munich, Germany, shall have exclusive jurisdiction in case of any disputes arising directly or indirectly from the participation in this Competition.

* “fast delivery” inside 7 working days applies to the Rohde & Schwarz in-house procedures from order processing through to available ex-factory to ship.