使用 MXO 示波器优化电动传动系统

汽车电子行业正在转向电气化发展。为了增强性能、效率和可靠性,需要准确测量和分析电动传动系统。MXO 示波器是执行这些测量任务的重要测试工具,能够为工程师和技术人员实时提供电压和电流波形,有助于了解复杂的传动系统机制,从而增强性能和效率。

使用具备电流探头接口的 MXO 分析传动系统
使用具备高压差分探头和电流探头接口的 MXO 分析传动系统
打开灯箱

您的任务

表征传动系统的性能涉及到多个方面,能够保证无缝集成,功能优越。这需要对传动系统中的关键点进行电压和电流波形分析,以此确定不同阶段的功率转换以及效率因数和功率因数,从而发现需要改进的地方。电机控制算法必须经过验证,保证电机运行准确、响应敏捷并且和控制输入一致。瞬态分析有助于确定传动系统对负载或功率条件突然变化的响应。识别并减轻谐波系统失真可以提高电源质量和整体传动系统的可靠性。综合性方法能够多方位了解传动系统特性,从而优化传动系统的性能。

罗德与施瓦茨解决方案

为了满足不同的测量要求,需要使用不同设备,才能获得准确的测量结果。功率分析仪、低频矢量分析仪或总线解码器都能进行准确测量。示波器也是一种独特的重要仪器,能够直观显示时间和幅度关系,还能提供各种工具,例如 FFT、数学运算、谐波分析、数字通信协议解码和频率响应分析。

新一代的 MXO 系列示波器具有基础的时间分析功能、快速波形捕获率、18 位 HD 分辨率、超快 FFT 频谱功能和出色的记录长度,是用于优化电动传动系统的不二之选。MXO 5 系列是首款支持三相分析的八通道示波器,能够并行测量电压和电流。

优点

  • 450 万波形/秒:捕获率最高可达 99%
  • 18 位 HD 模式:实现优越的精确度和准确度
  • 每通道 400 Mpoints/500 Mpoints:能够长时间维持高采样率
  • 45,000 FFT/s:快速响应的频谱功能,适合 EMI 分析
  • 数字触发:触发灵敏度可达 0.0001 div
MXO 具有跟踪功能,能够将 PWM 显示为迹线以作分析
MXO 具有跟踪功能,能够将 PWM 显示为迹线以作分析
打开灯箱

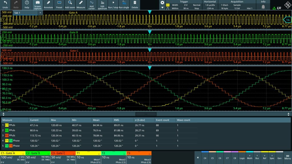
逆变器传动控制需要使用多个通道

传动系统的主要作用是将直流电池电源转换为交流电机传动电源。为了提高转换效率,准确定时的逆变器栅极(图腾柱)将直流脉冲切换为不同的宽度,并通过脉冲宽度调制 (PWM) 将其滤波为交流电,从而为电机提供动力。三相电机需要使用三组逆变器栅极,这些栅极的开关逻辑和时序会影响电机的传动性能。每个逆变器相位的电压和电流都会进行测量。测量力矩和电机传动速度的传感器能够提供有用信息。MXO 5 系列增加了通道,能够全面了解逆变器的传动控制。

逆变器将直流电源转换为三相交流电源
逆变器将直流电源转换为三相交流电源
栅极切换的问题
MXO 的数字触发非常适合分析这种情况,确保设计在切换高压侧和低压侧栅极时具有充足的死区时间。
打开灯箱

栅极切换的问题

为了提高传动系统的效率和响应速度,系统设计从绝缘栅双极晶体管 (IGBT) 转向宽禁带(例如碳化硅,简称“SiC”)晶体管,以便实现更快的开关速度。更重要的是,后者的动态导通电阻更低,因此传导效率更高。

上升/下降速度加快,会在系统中产生 EMI 噪声,给设计带来了挑战。同时开启高压侧和低压侧栅极时,寄生信号会加剧振铃现象,造成严重的直通事件。晶体管和逆变器电路还需要进行额外的时序分析。

MXO 系列的数字触发能够有效检测出晶体管栅极中的毛刺。18 位 HD 分辨率提供高精度可触发波形和高触发灵敏度,有助于调试设计。快速 FFT 有助于检测 EMI 辐射,能够改进电路滤波器设计。

如果 T2 开启,T1 晶体管栅极中的毛刺会导致直通事件。
如果 T2 开启,T1 晶体管栅极中的毛刺会导致直通事件。

总结

改进电动传动系统需要采用不同的测试方法,包括复杂的三相谐波失真改进测量和栅极传动开关分析。不同于准确测量规格的功率分析仪,示波器为用户提供时间视图,有助于了解不同时序控制随时间发生的变化。示波器功能多样,支持时域和频域测试,能够进行功率效率测量、EMI 调试、谐波分析和总线解码。

MXO 系列示波器标配出色的记录长度,非常适合测量通常响应较慢的电动传动系统。示波器具备数字触发、HD 精度、测量跟踪、快速频谱分析和八路通道,在评估电动传动系统的性能时能够进行广泛的测量。

请求信息

Do you have questions or need additional information? Simply fill out this form and we will get right back to you.
For service/support requests, please go here to log in or register.

推广许可

你的申请已提交,我们稍后会联系您。
An error is occurred, please try it again later.